ATX电源快速维修经验(电脑电源如何维修)
ATX电源维修与要点,电子爱好者的试金石
在维修电源前,首先拆开电源外壳,取下电路板,清理干净电路板和风扇上的灰尘,先目测有没有滤波电容鼓包漏液。如果有鼓包漏液的电容先代换电容,首先不通电查看电路板上的保险管是否开路,如果保险已经烧断短。不要急着换保险管通电,如果后级有短路的话,你换一个,烧一个,到时还说保险管质量不好。检查后面元件没有短路正常后才可以通电,最好用在保险处用白炽灯光代替保险,通电测试,如果灯光很亮,证明后级还有短路。
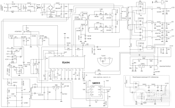
一.300V电路检修
1、过压保护元件压敏电阻击穿,用万用表测量,如果已经击穿,换上同型号压敏电阻,如果实在没有,暂时可不上试机。
2、整流二极管击穿,如果只有一个,最好4个全部更换,如果是整流桥,更换同型号或者更大耐压,整流电流更大也可。
3、大电解电容鼓包容量减少,更换几规格的,如果一只坏了,最好两个大滤波电容一起更换,重点检查2只150K并联在大电容上的均压电阻。如损坏换同型号即可。(在通电检修时测量2个串联的大电容的两端电压为300V左右为正常)。
4、初级开关管击穿。 (靠近大电容的散热片上一般有3只,其中有2只是同型号的是主电源开关管。另外一只是辅助电源开关管)故障率高。上面检查完就剩下开关管了用吸锡抢吸掉焊锡整体取下散热片和开关管进行测量把击穿的换掉。注;主电源开关管 用在
CPU478的电源我用的代换型号13007E代换。
用在CPU775以上的电源用的代换型号13009代换。没出现返工情况。现在300V电路检修完毕可以通电检修,下面我给大家介绍一种安全通电检修开关电源方法,这种方法如电路有问题不会漏烧元件。这是我在维修家电时经常应用的方法,现在可以应用于ATX开关电源。液晶显示器开关电源。笔记本开关电源盒等各种开关电源电路上维修应用。在坏保险管位子上串上40-60W灯泡,把交流电进线焊下来。把准备好的带插头的电源线焊接在电路板上的交流进线处,插上电源通电一瞬间,这时可以看见灯泡亮一下就熄灭,证明300V电路短路故障检修成功,取下灯泡换上新保险管。反之如灯泡常亮证明电路短路故障没检修完毕在继续检查至到看见灯泡亮一下就熄灭。如插上电灯泡不亮。则为300V电路为开路状态。拔掉电源插头后切记不要手摸300V电路大电容两端电路,应为电容里面储存有300V电压会有触电危险。这种情况要用灯泡放电才能检修。
二.辅助电源检修;
辅助电源开关管击穿。严重的会烧毁辅助开关变压器。该变压器不易配到。如果检修时遇见辅助电路其他元件都正常还漏损开关管,这种情况一般是烧爆开关管使辅助开关变压器初级线圈砸间短路了。开关管击穿爆管一定要把辅助电源部分元件全部检查一遍把损坏的原件换掉在换开关管切记。确保电源稳定一般用同型号的开关管换上。辅助电源开关变压器次级输出两组电压一组是+5VSB待机电压。+5VSB是供主机待机状态时的电源,所以当电源一加入市电220V后,+5VBS端就应有+5V电压输出,可先检测这一点电压的有无,若有+5V电压说明辅助电源是好的,故障在主控电源电路中.另一组为+12V 为IC 494或7500 12脚供电。在检修负载能力差。开机困难。无辜掉电 都是这两组滤波电容损坏容量不足引起。在检修电源时它的故障率很高。是因为用户只关掉电脑而没拔电源插头,使辅助电源长期工作的缘故。所以在维修时不管该滤波电容坏没坏,都要把这两组滤波电容换新确保电源工作稳定。
三.+5VSB、PS-ON、控制信号检修
M4 QATX开关电源靠+5VSB待机、PS-ON控制信号的组合来实现电源的开启和关闭。+5VSB是供主机待机状态时的电源,使用紫色线由20针插头9脚引出+5V到主板。PS-ON控制信号是通过按下主机面板的POWER开关。使主板的电子开关接地,使PS-ON绿色线3-5V高电平变为低电平0V从20针插头14脚输出进入ATX电源来控制电源的启动,反之为关闭。所以在维修不能开机的电源故障时,短接绿线到地(黑线)电源就应该启动。不能启动可以进一步短接494 或 7500 4脚到地,如电源能启动表示主控电路正常,问题出在IC 339的电路中。反之短接494 或 7500 4脚到地,如电源不能启动表示问题出在主控电路,IC 494 7500 8 11脚为主控信号输出脚,5、6脚外接定时阻容元件
四.电源次级整流输出检修
整流输出电路简单。实际就是全波整流管加LC滤波电路。电源的次级为低电压大电流,尤其是+5V输出电流达10-20A,在几只次级整流管当中+5V故障率最高。我在维修换+5V整流管时一般都是选用60V30A肖特基二极管全波整流管。所以电路中以低内阻的肖特基二极管作全波整流,以避免过大的损耗。-5V和+12V电压因电流较小,可用普通快恢复二极管,如国产的FR100系列。整流管损坏故障主要表现,开机风扇转一下及停 为整流管短路。 带负载能力差,空载正常为全波整流管有一半开路。滤波电容容量不足。在代换电源里的电解电容时最好不要用旧电源里坼机电容。因为电源里的电解电容长期在高温下工作。大部分的电解电容电解液已经干枯。即使是好的 它的参数和稳定性也很差,所以一般都主张用105°新电容代换。
五.风扇可以拆开加点好的机油,然后用热熔胶封口。
以上仅个人观点,非专业人士请谨慎操作,小心触电。






