POE供电及网线选择(POE供电的网线)
POE的系统构成
POE的系统构成:poe供电一个完整的POE系统包括供电端设备(PSE, Power Sourcing Equipment)和受电端设备(PD, Powered Device)两部分。
PSE设备是为以太网客户端设备供电的设备,同时也是整个POE以太网供电过程的管理者。而PD设备是接受供电的PSE负载,即POE系统的客户端设备,如IP电话、网络安全摄像机、AP、智嵌物联的串口服务器等许多其他以太网设备。两者基于IEEE 802.3af、IEEE 802.3at、IEEE 802.3bt(草案)标准建立有关受电端设备PD的连接情况、设备类型、功耗级别等方面的信息联系,并以此为根据PSE通过以太网向PD供电

智嵌物联POE供电串口服务器

图2 POE系统发展史
POE的供电方法
POE供电,根据不同的应用场景可以分为末端供电和跨接供电,而跨接供电由可以根据网线的供电线对分为中间跨接(Mid-span)和末端跨接(End-span)。
末端供电法
末端供电是指具有POE供电功能的PSE设备(Switch/Hub)直接通过网线给PD设备(IP电话/网络摄像机)供电。在POE标准中,根据供电线对的不同,又有Alternative A、Alternative B两种供电模式。
Alternative A模式
Alternative A模式:PSE设备利用两对数据线1、2,3、6进行供电。

图3 Alternative A模式供电
Alternative B模式
Alternative B模式:PSE设备利用两对空闲线4、5,7、8进行供电。

图4 Alternative A模式供电
2. 跨接供电法
有些Switch/Hub不具有PSE供电功能,因此需要一个具有PSE供电功能的设备为POE的PD端设备供电。跨接供电分为中间跨接(midspan)和末端跨接(endspan)两种。
中间跨接法:Mid-span
中间跨接法”( Mid -Span ),使用以太网电缆中没有被使用的空闲线对来传输直流电。

图5 Mid-span PSE设备供电
末端跨接法(End-Span)
另一种方法是“末端跨接法”(End-Span),是在传输数据所用的芯线上同时传输直流电。
POE供电线对极性
在标准中也规定了Alternative A、Alternative B两种供电方式中线对的正负极,如下图所示。对PSE设备来说,只需要满足Alternative A或者Alternative B两种供电方式中的一种即可。对PD设备来说,就必须要同时满足Alternative A和Alternative B两种供电方式。

POE供电线对极性
POE的供电过程

POE供电过程
Step One:检测PD
首先PSE会发送一个测试电压给在网设备以探测受电设备中的一个24.9kΩ共模电阻。测试信号开始为2.5V,然后提升到10V,这将有助于补偿Cat-5线缆自身阻抗带来的损失,因为这种线缆最长可达100m。如果PSE检测到来自PD的适当阻抗特征(24.9kΩ),它便会继续提升电压。如果检测不到特征阻抗,PSE将不会为电缆加电。受电设备(PD)电路中的齐纳二极管会保证系统其余部分不受测试信号的干扰。
Step Two:PD端设备分类
当检测到受电端设备PD之后,PSE将向PD施加15~20V的电压,并通过测量电流大小来确定PD的特定级别。如果除了探测到第一级的电阻外没发现其他分级电路,该设备被定义成零级别。在此阶段,PD的电源部分将被欠压锁定(UVLO)电路维持在无源状态,以便隔离开关级,直至特征和分级阶段完成。
Step Three:对PD供电
分级完成后,在一个可配置时间(一般小于15μs)的启动期内,PSE设备开始从低电压向PD设备进行如下操作:
开始供电
直至提供48V的直流电源。
稳定供电
为PD设备提供稳定可靠48V的直流电。
断电
若PD设备从网络上断开时,PSE就会快速地(一般在300~400ms之内)停止为PD设备供电,并重复检测过程以检测线缆的终端是否连接PD设备。
POE各标准电性能参数区别
POE标准对PSE设备和PD设备的电气参数做了详细的规定,符合POE标准的设备必须满足这些电气参数,否则可能出现PSE设备和PD设备不兼容的问题。下表列举了标准中给出的重要的部分参数。
类别 | 802.3af(PoE) | 802.3at(PoE plus) | 802.3bt(TYPE3) | 802.3bt(TYPE4) |
分级(Classification) | 0~3 | 0~4 | 0~7 | 0~8 |
最大电流 | 350mA | 600mA | 1.2A | 1.73A |
PSE输出电压 | 44~57V DC | 50~57V DC | 50~57V DC | 52~57V DC |
PSE输出功率 | >=15.4W | >=30W | >=60W | >=90W |
PD输入电压 | 36~57V DC | 42.5~57V DC | 42.5~57V DC | 41.2~57V DC |
PD最大功率 | 12.95W | 25.5W | 51W | 71.3W |
线缆要求 | Unstructured | CAT-5e or better | CAT-5e or better | CAT-5e or better |
供电线缆对 | 2 | 2 | 4 | 4 |
IEEE 802.3bt标准在2018年11月份最终定稿,但到目前标准仍未正式发布,IEEE 802.3bt与IEEE 802.3af/at最主要的区别如下:
第一:IEEE 802.3bt将供电设备(PSE)的最大功率提升三倍,从30 W扩展至90 W,并将用电设备(PD)的功率水平提升至71.3 W。
第二:IEEE 802.3bt将支持的等级数量从4个增加到8个,分别针对4-90 W和3.84-71.3 W的Type 3和Type 4供电设备(PSE)和用电设备(PD)。
第三:IEEE 802.3bt标准提供了许多新特性和新功能,例如支持高效的4线对功率传输,以及支持2.5 Gbps、5 Gbps和10 Gbps PoE工作的通道定义等。

非标准POE
为了降低测成本,市面上出现了非标准的POE设备,那么标准POE和非标准POE之间的区别是什么呢?
不言而喻,标准PoE产品就是符合IEEE802.3af和IEEE802.3at协议的产品,供电电压标准值为48V。标准的PoE供电模式,要求前端供电设备(PSE)必须具备终端检测、设备分类、评估功率损耗的功能,而受电设备(PD)也应该兼容IEEE802.3af协议标准才能被PSE检测到。唯有供电端(PSE)和受电端(PD)均符合标准才称得上真正的PoE解决方案。
非标准PoE产品是指那些仅采用网线空闲芯作为供电电线,无IC监控与管理单元,不对PD(受电设备)进行检测和判断而直接供直流电的产品,所供直流电通常有12V,24V和48V。尤其是48V的非标产品,迷惑性很大,往往会让人误以为是标准PoE。
由于没有握手机制,非标PoE具有如下潜在安全隐患:
隐患一:受电端不能进行稳压,终端工作不稳定。网线线芯较细,压降大,受电端无稳压装置,系统常常工作在欠压或者过压状态下,必将缩短受电终端工作寿命;
隐患二:烧坏设备、触电、线路老化漏水短路火灾隐患。当供电设备未与电压匹配的网络终端相连时,很容易就烧坏设备;当供电电压超过36V时,手触电击,人身安全收到威胁;非标PoE也无线路异常识别机制,存短路火灾隐患。
目前常见的HI-POE方案
符合IEEE 802.3bt(草案)标准的HI-POE
IEEE 802.3bt(草案)标准的POE方案,PSE端最小输出功率可达到90W,PD端最大功耗可达到71.3W。目前常见的符合该标准的厂商有TI、凌特、美信等能够参与标准制定的大公司。目前市面上能支持IEEE 802.3bt标准的PSE设备,实际上是支持IEEE 802.3bt(草案)或者自家公司自定义的协议,因此目前的大功率PSE设备可能存在不兼容的问题。
比如TI的TPS2372支持IEEE 802.3bt(草案)(Type1~Type4)用电设备(PD)所需的所有特性;凌特的 LT4295 支持IEEE 802.3bt (Draft 3.7)用电设备(PD)所需的所有特性。

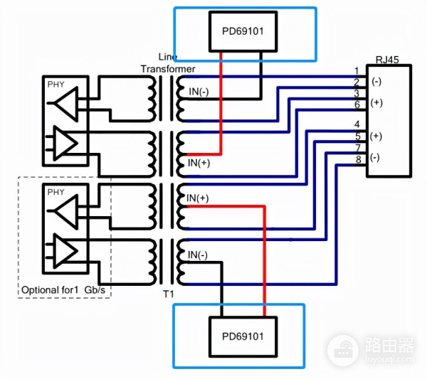
符合IEEE 802.3at标准的两颗PSE芯片堆叠
利用两颗符合IEEE 802.3at标准的PSE芯片,堆叠成60W输出能力的PSE设备。比如Mirosemi公司的PD69101方案,可以为PD设备提供60W的功率。

非标准的POE
如前面所述,非标准POE是简单粗暴地把网线中空余线对当电力线使用,所以只要不超过传输线的最大传输电流,,就可利用该种方式按照需求来设计不同的功率大小。
POE技术的应用场景
安防监控系统
目前,PoE技术被广泛应用于视频监控系统,能够利用网线给摄像机供电并传输信号。在安防系统中,前端的摄像机比较分散,点位较多,而且很多点位不便于铺设电源,因此PoE技术电线供电的优点就凸显出来了。
无线覆盖领域
在无线AP覆盖中,PoE也被广泛应用,一般是后期安装,前期没有预设电源,而且还需要铺设传输网络用来传输信号。而采用PoE技术可以同时解决这两种信号的传输问题,既美观又施工方便。
三网融合应用
目前三网融合是国家电网发展的一个趋势,每家每户都采用光纤入户来传输电话信号、宽带等网络信号,采用PoE可以很好地解决光猫在室外的电源问题。
传输损耗
2003年设立的国际标准IEEE802.3af要求PSE能达到15.4W的输出功率,而到达受电设备的功率是12.95W,电源损耗为2.45W。2009年设立的国际标准IEEE802.3at则要求PSE能达到30W的输出功率,到达受电设备的功率是25.5W,电源损耗为4.5W。随着时间的推移这两种标准的功率已经不能满足现在新的更大功率的PD的供电要求。因此最新的国际标准IEEE802.3bt有两种要求,其中一种是要求PSE能达到60W的输出功率,到达受电设备的功率是51W,电源损耗为9W。另一种则要求PSE能达到90W的输出功率,到达受电设备的功率是71W,电源损耗则为19W。
标准 | PSE提供最小功率(W) | PD最大功率(W) | 最大传输线损耗(W) |
IEEE802.3af (Type1) | 15.4 | 12.95 | 2.45 |
IEEE802.3at (Type2) | 30 | 25.5 | 4.5 |
IEEE802.3bt (Type3) | 60 | 51 | 9 |
IEEE802.3bt (Type4) | 90 | 71 | 19 |
传输线上的损耗计算公式:
P=I²R
其中,I为流过传输线的电流,R为百米网线的电阻值。
因此为了减少网线的功耗我们要尽量使导线的电流变小,让网线的电阻变小。减小导线电流的方法就是提高PSE设备的输出电压,因此我们在选择PSE设备时,在满足标准的前提下,电压越高越好。在标准中规定了百米网线的最大电阻值,如下表。
标准 | 百米网线最大阻值(Ω) | 供电线对(对) |
IEEE802.3af (Type1) | 20 | 2 |
IEEE802.3at (Type2) | 12.5 | 2 |
IEEE802.3bt (Type3) | 12.5 | 4 |
IEEE802.3bt (Type4) | 12.5 | 4 |
IEEE802.3bt标准和IEEE802.3at/af标准的最大的一个区别就是采用网线的4线对同时供电,这样可以大大降低传输线损耗。但即使使用4对双绞线,这种损耗仍然是非常大的,此时的功率损耗已经超过PSE的20%,所以之后更大功率的标准已经不能再通过这种方式来提高PD接收到的功率。
POE设备中网线的选择
网线的分类
双绞线常见的型号有CAT1、CAT2、CAT3、CAT4、CAT5、CAT5e、CAT6、CAT7,在安防行业,我们常用的网线是CAT5e、CAT6。
网线必须按照568A或者568B的标准连接好网线,必须接通8根线,同时长度要求在100米内。网线的质量越好,传输稳定性就越高,至少是超五类的网线,如果预算成本足够,可以选择传输距离更远、效果更好的6类网线。

超五类线
超五类线:超5类线具有衰减小,串扰少的优点,并且具有更高的衰减串扰比(ACR)和信噪比(StructuralReturnLoss)、更小的时延误差。超5类线主要用于千兆位以太网(1000Mbps)。
在标准中,cat5e采用单股铜丝,线规为24AWG。

图 超五类线
六类线
六类线:该类电缆的传输频率为1MHz~250MHz,六类布线系统在200MHz时综合衰减串扰比(PS-ACR)有较大的余量,它提供2倍于超五类的带宽。六类布线的传输性能远远高于超五类标准,最适用于传输速率高于1Gbps的应用。
cat6采用单股铜丝线,线规是23AWG。

图 六类线
六类双绞线在外形上和结构上与五类或超五类双绞线都有一定的差别,不仅增加了绝缘的十字骨架,将双绞线的四对线分别置于十字骨架的四个凹槽内,而且电缆的直径也更粗。
线类 | 线规 | 百米网线电阻(无氧铜) | 说明 | |
五类线 | Cat5 | 24AWG | 9.5 | 适用于100M以下的网络 |
超五类线 | Cat5e | 24AWG | 9.5 | 主流产品,适合POE供电 |
六类线 | Cat6 | 23AWG | 7.5 | 用于架设千兆网,适合POE供电 |
网线的直流电阻
根据网线材料不同,阻值也会有所不同的。
超五类(线规24AWG)双绞线各种材质网线100米的电阻
材料 | 百米网线阻值 | 说明 | 是否适合POE供电 |
铜包钢网线 | 75-100Ω | 价格便宜,电阻大,通信效果差 | 不适合POE供电 |
铜包铜网线 | 42Ω | 电阻大,上网性能一般,但是他抗氧化性强 | 不适合POE供电 |
铜包铝网线 | 24-28Ω | 性价比高,通信距离及效果好,但材质易氧化,寿命短。 | 短距离POE供电 |
铜包银网线 | 15Ω | 通信距离比铜包铝远,材质也易氧化 | 长距离小功率POE供电 |
无氧铜网线 | 9.5Ω | 该材质的网线性能最好 | 适合POE长距离供电 |






